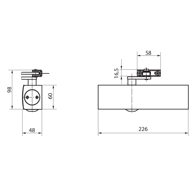
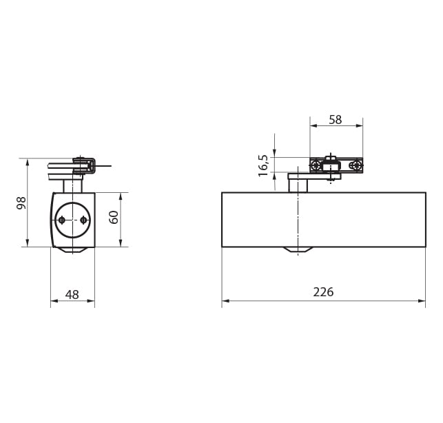
Dveřní samozavírač s ramínkem GEZE – TS 2000 NV je vyrobený z hliníku a je povrchově upravený. Samozavírač splňuje požadavky normy ČSN EN 1154 a je testovaný na min. 500 000 zavíracích cyklů. Vyznačuje se bezporuchovým provozem a dlouhodobou životností.
Při výběru samozavírače je nezbytné dodržet požadavky normy ČSN EN 1154, která stanovuje velikost samozavírače (zavírací sílu) vzhledem na šířku dveřního křídla. Dveřní samozavírač GEZE - TS 2000 NV má sílu zavírání dle ČSN EN 1154 ve třech velikostech a to konkrétně 2/4/5:
Síla zavírání velikosti 2 dle ČSN EN 1154 - je pro šířku dveřního křídla od 750 mm do 850 mm , nesmí být nastavena na protipožárních dveřích
Síla zavírání velikosti 4 dle ČSN EN 1154 - je pro šířku dveřního křídla od 950 mm do 1 100 mm
Síla zavírání velikosti 5 dle ČSN EN 1154 - je pro šířku dveřního křídla od 1100 mm do 1 250 mm
Doporučená váha dveřního křídla dle ČSN EN 1154 je pro tento samozavírač 100 kg.
Dveřní samozavírač GEZE - TS 2000 NV má možnost nastavení rychlosti zavírání dveří a hydraulického koncového dorazu při zavírání (ramínko). Také nastavení polohy trvalého otevření - 70 ° - 150 ° s aretací.
Použití:
• Na těžší interiérové / exteriérové dveře z materiálu - dřevo / sklo (s montážní podložkou pro skleněné dveře); ocel / hliník / plast
• Na protipožární a kouřotěsné dveře
• Orientace dveří - pro levé i pravé dveře
• Způsob montáže - na dveřním křídle na straně pantů / proti pantům nebo na rám na straně proti pantům
Poznámka:
Pro zvýšení kvality montáže doporučujeme použít montážní podložku.
Samozavírače jsou dostupné ve standardních povrchových úpravách, s možností doobjednání RAL odstínů dle vzorníku. Ceny a dodací termín pro samozavírače v RAL barvách na vyžádání.

Zajišťujeme zakázkovou kovovýrobu po celé České republice a Slovensku. Díky vlastní dopravě garantujeme rychlé a spolehlivé dodání ocelových zárubní, kovových konstrukcí i technického příslušenství přímo na stavbu nebo do vašeho provozu.
Hledáte zkušeného dodavatele? Kontaktujte nás, rádi vám připravíme cenovou nabídku na míru dle vašich požadavků.
+420 775 329 321
objednavky@megacorp.cz
Administrativa:
+420 775 329 322
info@megacorp.cz
MEGACORP společnost s r.o.
Kelč 455
756 43 Kelč
Česká republika
Cookies / GDPR
Copyright Markéta Kubná