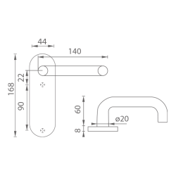
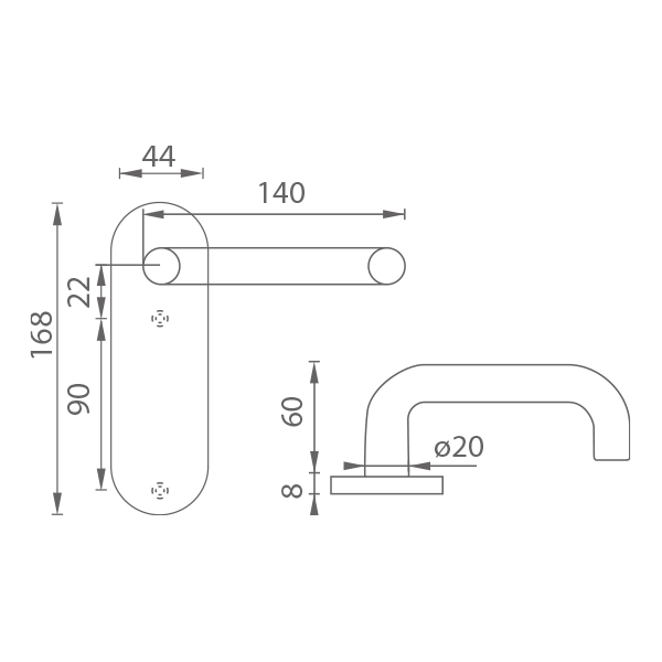
Štítová klika na interiérové dveře s krátkým oválným štítem je vyrobena z vysoce kvalitní nerezavějící oceli, známé jako nerez a je povrchově upravena. Krátký oválný štít má rozměry 44 mm x 168 mm.
Klika z řady MP line obsahuje vratný mechanismus v pouzdru z pozinkované oceli.
Vyznačuje se vysokou odolností vůči opotřebení a barevnou stálostí. Je vhodná pro prostředí s vysokou frekvencí pohybu lidí. Klika je testována podle normy ČSN EN 1906: 2012 na 200 000 cyklů.
Je to jen na vašem rozhodnutí, jaké provedení a jaký typ otvoru si vyberete z naší široké nabídky. V případě, že se neumíte rozhodnout, rádi vám poradíme a pomůžeme s výběrem.
Upozornění:
Při objednávání štítových klik je třeba vědět vzdálenost mezi osou kliky a osou klíče (rozteč). Standardní vzdálenost je 72 nebo 90 mm. Tato klika je dostupná pouze v rozteči 72 mm. Rovněž i otvory do štítových klik jsou ražené na míru, a proto vás prosíme o uvedení nejen správné rozteče, ale i typu otvorů. V opačném případě výměna klik nemusí být samozřejmostí.
Designový plotový panel z pozinkované oceli s povrchovou úpravou komaxit – standardní i zakázkové...

Zajišťujeme zakázkovou kovovýrobu po celé České republice a Slovensku. Díky vlastní dopravě garantujeme rychlé a spolehlivé dodání ocelových zárubní, kovových konstrukcí i technického příslušenství přímo na stavbu nebo do vašeho provozu.
Hledáte zkušeného dodavatele? Kontaktujte nás, rádi vám připravíme cenovou nabídku na míru dle vašich požadavků.
+420 775 329 321
objednavky@megacorp.cz
Administrativa:
+420 775 329 322
info@megacorp.cz
MEGACORP společnost s r.o.
Kelč 455
756 43 Kelč
Česká republika
Cookies / GDPR
Copyright Markéta Kubná